안녕하세요?
드디어 24V만 가지고서 회로를 실습해 보다가, 드디어 오늘 수업에서 220V로 올라가서 실습을 해보는 단계에 들어갔습니다. 일단 처음에는 낫 놓고 기억자도 모르다는 말처럼 무얼 어떻게 해야 할지 몰랐는데, 그래도 어떻게 해서 실습을 하는 데는 성공했고, 거기서 배운 것을 포스팅 해보고자 합니다.
맨 처음으로 본 MC라는 것인데, 처음에는 이게 무엇인지 잘은 몰랐습니다. 그러다가 조금 시간이 지나서야 이게 그 동안 24V로 릴레이를 가지고서 회로를 결선하는 실습을 해 보았는데, 그게 220V 버젼이라는 것을 알 수 있었습니다.
어찌어찌 해서, 인터록 회로를 만드는 데 성공한 사진입니다. 무슨 코르크 보드와 같은 보드에다가 나사못을 가지고서 기기들을 고정하고, 220V를 가지고서 모터를 작동시키는 데 까지 시작했습니다.
그리고 이번 실습에서 어쩌면 가장 중요한 것이라고 할 수 있는 MCCB라고 해야 할까요? 이 회로 보호기가 감전이나 쇼트가 일어날 것 같으면 바로 전원을 끊어 주는데, 이 장치가 안전에 있어서는 가장 중요하다는 생각이 들었습니다.
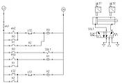
이제 부터, 오늘 배웠던 중요한 내용에 대해서 정리를 해 보겠습니다. 우선 위 그림에서 MC라고 하는 일종의 220V버젼의 릴레이 인데, 여기서는 220V라고 적혀있는 것은 바로, 릴레이가 작동하기 위해서 220V가 연결이 되어야 하는 연결 핀이라고 해야 할까요? 일단 여기에 전력이 공급 되어서 NO접점이 연결이 되고, NC접점이 떨어지는 현상이 벌어지게 됩니다.
먼저 위 그림에서 빨간색으로 A라고 적혀있는 부분은 바로 A접점이라고 해서, 다른 말로는 NO접점-평상시에는 열려있는 접점이고, 전원이 공급이 되면 연결이 되는 부분입니다. 그리고 파란색으로 표시가 된 B는 바로 B접점으로 NC점점-평상시에는 접촉이 되어 있으며, 전원이 공급되지 않으면 연결이 되어 있는 접점입니다.
마지막으로는 ECOR-3DM이라는 장치로, 이 장치는 220V 전원을 공급해 주면 작동을 하며 모터가 과전류로 인해서 타버리는 사고를 방지하기 위한 장치입니다. 이전에 여러번 THR이라고 해서 CAD시간에 만들어 본 적이 있었는 바로 그 안전장치라는 것을 알 수 있었습니다. 일단 이번 수업시간에서 본 바로는 B접점이라고 해서, 여기서는 NC접점이 있는데, 릴레이와는 다르게 과전류가 흐르면 끊어진다는 것을 알 수 있었습니다.
'PLC 자동제어 학습 > 시퀀스 회로 수업' 카테고리의 다른 글
시퀀스 회로를 이용해서 공압 실린더를 운용해 보는 실습 (0) | 2018.02.16 |
---|---|
생애 처음으로 공압 실린더를 이용한 실습 (0) | 2018.02.08 |
회로도를 보면서 회로 결선하기 실습하기 4주차?! (0) | 2017.11.02 |
타이머를 이용한 실습과 플리커 회로의 제조 (0) | 2017.10.22 |
부위부선 회로의 싫습과 플립플릅 회로 만들기 (2) | 2017.10.16 |